• MCU单片机C61F23,上海PIN对PIN完全兼容PIC16F684

    发布时间:2021-04-15

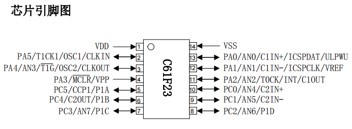
    MCU单片机C61F23,PIN对PIN完全兼容PIC16F684一、概述本芯片为哈佛结构的精简指令 CPU。在这种结构中,程序和数据存取的总线是相互独立的。指令字节长度为 16 位,所有指令都是单字节指令,大多数指令能在一个机器周期内执行...

    查看详情

服务热线

0755-86003350

公司地址:

深圳市宝安区西乡街道前进二路149号智汇创新中心A座8层803室

公司邮箱:

cxwenli@126.com

扫码查看手机版

Copyright © 2026 深圳市迅瑞创芯科技有限公司 粤ICP备17163104号