-
输入 36V 耐压具有 OVP 功能线性锂电池充电芯片 CJ上海4056HD
发布时间:2024-12-13输入 36V 耐压具有 OVP 功能线性锂电池充电芯片 CJ4056HD1.特点·输入电源端口最高耐压可达36V·输出BAT电池端口最高耐压20V·输入电源电压6.8V时芯片OVP·高达1000mA的可编程充电电流·恒定电流/恒定电压操作,...
查看详情 -
36V高输入电压上海线性充电器 BC4056
发布时间:2024-05-0136V高输入电压线性充电器 BC4056概述BC4056_HV 是一款单电池锂电池恒流/恒压线性充电 管理芯片. 芯片里有一个温度环. 当芯片过热时,温 度环自动降低充电电流,确保安全充电,避免过热并 获得最大充电速度.充电电流可由外部电阻...
查看详情 -
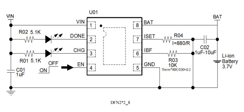
28V高耐压线性上海锂电池充电芯片有那些?CJ4056H怎么样
发布时间:2024-02-2528V高耐压线性锂电池充电芯片有那些?CJ4056H怎么样一、描述 CJ4056H是一款输入耐压高达30V,具有电源OVP功能的1A单节锂离子电池线性充电器,其采用了恒定电流/恒定电压的充电模式。CJ4056H的CE、TEMP、CHRG、...
查看详情 -
25V上海高耐压线性充电芯片BC91801 兼容SGM40561和SY8602
发布时间:2024-01-3025V高耐压线性充电芯片BC91801兼容SGM40561和SY8602GENERAL DESCRIPTIONTheBC91801isacompleteconstant-current/constant-voltage linear cha...
查看详情 -
上海BC91801高耐压单节锂电池充电芯片兼容SGM40561, SY8602
发布时间:2024-01-16BC91801高耐压单节锂电池充电芯片兼容SGM40561, SY8602GENERAL DESCRIPTIONTheBC91801isacompleteconstant-current/constant-voltage linear ch...
查看详情 -
上海1A线性锂离子电池充电器CL4056A有那些特点?
发布时间:2021-04-231A线性锂离子电池充电器CL4056A有那些特点?特性 ◆可编程充电电流1000mA ◆无需外接MOSFET,检测电阻以及隔离二极管 ◆用于单节锂电池、采用ESOP8封装的完整线性充电器 ◆恒定电流/恒定电压操作,并具有可在无过热危险的情...
查看详情



服务热线
公司地址:
公司邮箱: